电容器使用注意事项:
1.过电压和过热将缩短电容器的寿命。因此应严格控制运行条件( 即:环境温度、电压及电流等)。
2.系统中装并联电容器时,应充分注意以下情况:
a. 在谐波含量严重的环境下,不宜直接装设并联电容器,请串联抗谐波电抗器使用。在谐波含量并不严重的环境下,请提升电容器电压等级或采用滤波电容器。( 常见的谐波源有:变频器、直流整流器、逆变器、电解电镀设备、中频炉、电弧炉等)
b. 在电动机固定连接并联电容器时,建议按电容器电流小于电动机空载电流90% 来选配电容器。
c. 在变压器空载时,应使电容器退出运行。
3.系统中装并联电容器时,应选用能限制涌流及不重燃的专用开关、接触器、电子复合开关及过流继电器等。
4.电容器再投入需要延时3min 以上,断开电源必须进行短路放电之后,才能进行触及或测试。
5.用小型断路器作短路保护时,应按电容器额定电流2-3 倍选择,严禁断路6.电容器从电源切除后一定要保证电容器剩余电压降至10% 额定电压才允许再次投入
主要参数及其它条件:
1.额定电压:(0.23~1.2)kV,AC
2.额定频率:50Hz 或60Hz
3.额定容量:(1 ~ 100)kva r
4.电容偏差:-5% ~ +10%
5.损耗角正切值:
工频额定电压下,20℃时≤ 30kvar 产品,tgδ ≤ 0.0012; >30kvar 产品,tgδ ≤ 0.0015
6.最高允许过电压:1.1UN;每24h 中不超过8h
7.最大允许过电流:1.3 IN
8.自放电特性:电容器施加压 √2 UN 直流电压,断开电源3min 后,剩余电压降到50V 或以下
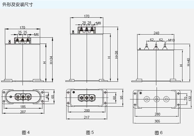
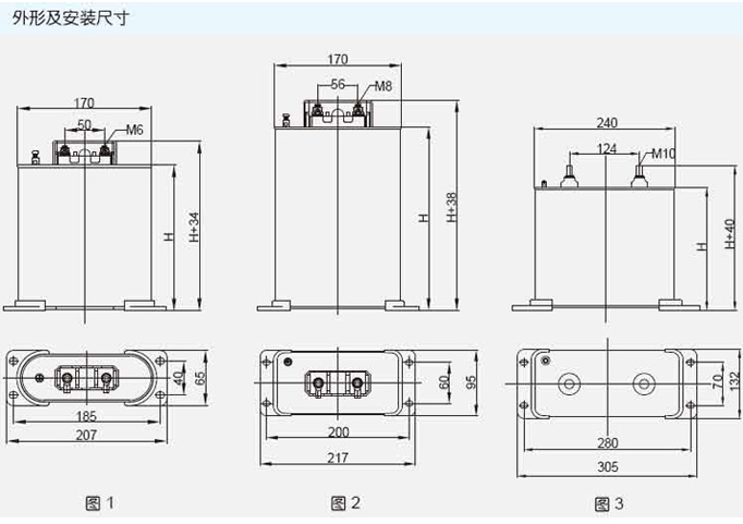
主要产品型号规格、数据表及外型、安装尺寸:
产品型号 BSMJ | 额定电压 (kV) | 额定容量(kvar) | 额定电容 (μF) | 额定电流 (A) | 额定频率(Hz) | 高度 (H)mm | 图号 |
0.25-1-1 | 0.25 | 1 | 51 | 4 | 50 | 110 | 图1 |
0.25-2-1 | 0.25 | 2 | 102 | 8 | 50 | 110 | 图1 |
0.25-3-1 | 0.25 | 3 | 153 | 12 | 50 | 130 | 图1 |
0.25-4-1 | 0.25 | 4 | 204 | 16 | 50 | 130 | 图1 |
0.25-5-1 | 0.25 | 5 | 255 | 20 | 50 | 180 | 图1 |
0.25-6-1 | 0.25 | 6 | 306 | 24 | 50 | 210 | 图1 |
0.25-7.5-1 | 0.25 | 7.5 | 382 | 30 | 50 | 210 | 图1 |
0.25-8-1 | 0.25 | 8 | 408 | 32 | 50 | 210 | 图1 |
0.25-10-1 | 0.25 | 10 | 509 | 40 | 50 | 210 | 图1 |
0.25-12-1 | 0.25 | 12 | 611 | 48 | 50 | 210 | 图2 |
0.25-14-1 | 0.25 | 14 | 713 | 56 | 50 | 250 | 图2 |
0.25-15-1 | 0.25 | 15 | 764 | 60 | 50 | 250 | 图2 |
0.25-16-1 | 0.25 | 16 | 815 | 64 | 50 | 250 | 图2 |
0.25-18-1 | 0.25 | 18 | 917 | 72 | 50 | 280 | 图2 |
0.25-20-1 | 0.25 | 20 | 1019 | 80 | 50 | 200 | 图3 |
0.25-22-1 | 0.25 | 22 | 1121 | 88 | 50 | 200 | 图3 |
0.25-24-1 | 0.25 | 24 | 1223 | 96 | 50 | 200 | 图3 |
0.25-25-1 | 0.25 | 25 | 1273 | 100 | 50 | 260 | 图3 |
0.25-26-1 | 0.25 | 26 | 1325 | 104 | 50 | 260 | 图3 |
0.25-28-1 | 0.25 | 28 | 1427 | 112 | 50 | 260 | 图3 |
0.25-30-1 | 0.25 | 30 | 1528 | 120 | 50 | 260 | 图3 |
产品型号 BSMJ | 额定电压 (kV) | 额定容量(kvar) | 额定电容 (μF) | 额定电流 (三相/单相)(A) | 额定频率(Hz) | 高度 (H)mm | 图号 |
0.4-1-3(1) | 0.4 | 1 | 20 | 1.4/2.5 | 50 | 110 | 图4 |
0.4-2-3(1) | 0.4 | 2 | 40 | 2.9/5 | 50 | 110 | 图4 |
0.4-3-3(1) | 0.4 | 3 | 60 | 4.3/7.5 | 50 | 110 | 图4 |
0.4-4-3(1) | 0.4 | 4 | 80 | 5.8/10 | 50 | 110 | 图4 |
0.4-5-3(1) | 0.4 | 5 | 99 | 7.2/12.5 | 50 | 110 | 图4 |
0.4-6-3(1) | 0.4 | 6 | 119 | 8.7/15 | 50 | 130 | 图4 |
0.4-7.5-3(1) | 0.4 | 7.5 | 149 | 10.8/19 | 50 | 130 | 图4 |
0.4-8-3(1) | 0.4 | 8 | 159 | 11.5/20 | 50 | 130 | 图4 |
0.4-10-3(1) | 0.4 | 10 | 199 | 14.4/25 | 50 | 180 | 图4 |
0.4-12-3(1) | 0.4 | 12 | 239 | 17.3/30 | 50 | 180 | 图4 |
0.4-14-3(1) | 0.4 | 14 | 279 | 20.2/35 | 50 | 210 | 图4 |
0.4-15-3(1) | 0.4 | 15 | 298 | 21.7/38 | 50 | 210 | 图4 |
0.4-16-3(1) | 0.4 | 16 | 318 | 23.1/40 | 50 | 210 | 图4 |
0.4-18-3(1) | 0.4 | 18 | 358 | 26.0/45 | 50 | 240 | 图4 |
0.4-20-3(1) | 0.4 | 20 | 398 | 28.9/50 | 50 | 240 | 图4 |
0.4-22-3(1) | 0.4 | 22 | 438 | 31.8/55 | 50 | 210 | 图5 |
0.4-24-3(1) | 0.4 | 24 | 478 | 34.6/60 | 50 | 210 | 图5 |
0.4-25-3(1) | 0.4 | 25 | 497 | 36.1/63 | 50 | 210 | 图5 |
0.4-26-3(1) | 0.4 | 26 | 518 | 37.5/65 | 50 | 210 | 图5 |
0.4-28-3(1) | 0.4 | 28 | 557 | 40.4/70 | 50 | 250 | 图5 |
0.4-30-3(1) | 0.4 | 30 | 597 | 43.3/75 | 50 | 250 | 图5 |
0.4-35-3(1) | 0.4 | 35 | 697 | 50.5/88 | 50 | 280 | 图5 |
0.4-40-3(1) | 0.4 | 40 | 796 | 57.7/100 | 50 | 200 | 图6 |
0.4-50-3(1) | 0.4 | 50 | 995 | 72.1/125 | 50 | 260 | 图6 |
0.4-60-3(1) | 0.4 | 60 | 1194 | 86.6/150 | 50 | 300 | 图6 |
产品型号 BSMJ | 额定电压 (kV) | 额定容量(kvar) | 额定电容 (μF) | 额定电流 (三相/单相)(A) | 额定频率(Hz) | 高度 (H)mm | 图号 |
0.525-1-3(1) | 0.525 | 1 | 12 | 1.1/2 | 50 | 110 | 图4 |
0.525-2-3(1) | 0.525 | 2 | 23 | 2.2/4 | 50 | 110 | 图4 |
0.525-4-3(1) | 0.525 | 4 | 46 | 4.4/8 | 50 | 110 | 图4 |
0.525-5-3(1) | 0.525 | 5 | 58 | 5.5/10 | 50 | 110 | 图4 |
0.525-6-3(1) | 0.525 | 6 | 69 | 6.6/11 | 50 | 130 | 图4 |
0.525-7.5-3(1) | 0.525 | 7.5 | 87 | 8.3/14 | 50 | 130 | 图4 |
0.525-8-3-3(1) | 0.525 | 8 | 92 | 8.8/15 | 50 | 130 | 图4 |
0.525-10-3(1) | 0.525 | 10 | 115 | 11.0/19 | 50 | 180 | 图4 |
0.525-12-3(1) | 0.525 | 12 | 139 | 13.2/23 | 50 | 180 | 图4 |
0.525-14-3(1) | 0.525 | 14 | 162 | 15.4/27 | 50 | 210 | 图4 |
0.525-15-3(1) | 0.525 | 15 | 173 | 16.5/29 | 50 | 210 | 图4 |
0.525-16-3(1) | 0.525 | 16 | 185 | 17.6/30 | 50 | 210 | 图4 |
0.525-18-3(1) | 0.525 | 18 | 208 | 19.8/34 | 50 | 240 | 图4 |
0.525-20-3(1) | 0.525 | 20 | 231 | 22.0/38 | 50 | 240 | 图4 |
0.525-24-3(1) | 0.525 | 24 | 277 | 26.4/46 | 50 | 210 | 图5 |
0.525-25-3(1) | 0.525 | 25 | 289 | 27.5/48 | 50 | 210 | 图5 |
0.525-30-3(1) | 0.525 | 30 | 346 | 33.0/57 | 50 | 250 | 图5 |
0.525-35-3(1) | 0.525 | 35 | 404 | 38.5/67 | 50 | 280 | 图5 |
0.525-40-3(1) | 0.525 | 40 | 462 | 44.0/76 | 50 | 200 | 图6 |
0.525-50-3(1) | 0.525 | 50 | 577 | 55.0/95 | 50 | 260 | 图6 |
0.525-60-3(1) | 0.525 | 60 | 693 | 66.0/114 | 50 | 300 | 图6 |
产品型号 BSMJ | 额定电压 (kV) | 额定容量(kvar) | 额定电容 (μF) | 额定电流 (A) | 额定频率(Hz) | 高度 (H)mm | 图号 |
0.69-1-3 | 0.69 | 1 | 7 | 0.8 | 50 | 110 | 图4 |
0.69-2-3 | 0.69 | 2 | 13 | 1.7 | 50 | 110 | 图4 |
0.69-3-3 | 0.69 | 3 | 20 | 2.5 | 50 | 110 | 图4 |
0.69-4-3 | 0.69 | 4 | 27 | 3.3 | 50 | 110 | 图4 |
0.69-5-3 | 0.69 | 5 | 33 | 4.2 | 50 | 110 | 图4 |
0.69-6-3 | 0.69 | 6 | 40 | 5 | 50 | 130 | 图4 |
0.69-7.5-3 | 0.69 | 7.5 | 50 | 6.3 | 50 | 130 | 图4 |
0.69-8-3 | 0.69 | 8 | 53 | 6.7 | 50 | 130 | 图4 |
0.69-10-3 | 0.69 | 10 | 67 | 8.4 | 50 | 180 | 图4 |
0.69-12-3 | 0.69 | 12 | 80 | 10 | 50 | 180 | 图4 |
0.69-14-3 | 0.69 | 14 | 94 | 11.7 | 50 | 210 | 图4 |
0.69-15-3 | 0.69 | 15 | 100 | 12.6 | 50 | 210 | 图4 |
0.69-16-3 | 0.69 | 16 | 107 | 13.1 | 50 | 210 | 图4 |
0.69-18-3 | 0.69 | 18 | 120 | 15.1 | 50 | 240 | 图4 |
0.69-20-3 | 0.69 | 20 | 134 | 16.7 | 50 | 240 | 图4 |
0.69-22-3 | 0.69 | 22 | 147 | 18.4 | 50 | 210 | 图5 |
0.69-24-3 | 0.69 | 24 | 161 | 20.1 | 50 | 210 | 图5 |
0.69-25-3 | 0.69 | 25 | 167 | 20.9 | 50 | 210 | 图5 |
0.69-26-3 | 0.69 | 26 | 174 | 21.8 | 50 | 210 | 图5 |
0.69-28-3 | 0.69 | 28 | 187 | 23.4 | 50 | 250 | 图5 |
0.69-30-3 | 0.69 | 30 | 201 | 25.1 | 50 | 250 | 图5 |
0.69-35-3 | 0.69 | 35 | 234 | 29.3 | 50 | 280 | 图5 |
0.69-40-3 | 0.69 | 40 | 267 | 33.5 | 50 | 200 | 图6 |
0.69-50-3 | 0.69 | 50 | 334 | 41.8 | 50 | 260 | 图6 |
0.69-60-3 | 0.69 | 60 | 401 | 50.8 | 50 | 300 | 图6 |
产品型号 BSMJ | 额定电压 (kV) | 额定容量(kvar) | 额定电容 (μF) | 额定电流 (A) | 额定频率(Hz) | 高度 (H)mm | 图号 |
1.2-1-3 | 1.2 | 1 | 2 | 0.5 | 50 | 180 | 图4 |
1.2-2-3 | 1.2 | 2 | 4 | 1 | 50 | 180 | 图4 |
1.2-3-3 | 1.2 | 3 | 7 | 1.4 | 50 | 180 | 图4 |
1.2-5-3 | 1.2 | 5 | 11 | 2.4 | 50 | 180 | 图4 |
1.2-6-3 | 1.2 | 6 | 13 | 2.9 | 50 | 180 | 图4 |
1.2-8-3 | 1.2 | 8 | 18 | 3.8 | 50 | 180 | 图4 |
1.2-10-3 | 1.2 | 10 | 22 | 4.8 | 50 | 210 | 图4 |
1.2-14-3 | 1.2 | 14 | 31 | 6.7 | 50 | 240 | 图4 |
1.2-15-3 | 1.2 | 15 | 33 | 7.2 | 50 | 240 | 图4 |
1.2-16-3 | 1.2 | 16 | 35 | 7.7 | 50 | 240 | 图4 |
1.2-18-3 | 1.2 | 18 | 40 | 8.7 | 50 | 240 | 图4 |
1.2-20-3 | 1.2 | 20 | 44 | 9.6 | 50 | 240 | 图4 |
1.2-24-3 | 1.2 | 24 | 53 | 11.5 | 50 | 210 | 图5 |
1.2-25-3 | 1.2 | 25 | 55 | 12 | 50 | 210 | 图5 |
1.2-26-3 | 1.2 | 26 | 58 | 12.5 | 50 | 250 | 图5 |
1.2-30-3 | 1.2 | 30 | 66 | 14.4 | 50 | 280 | 图5 |
1.2-35-3 | 1.2 | 35 | 77 | 16.8 | 50 | 200 | 图6 |
1.2-40-3 | 1.2 | 40 | 88 | 19.2 | 50 | 200 | 图6 |
1.2-50-3 | 1.2 | 50 | 111 | 24.1 | 50 | 260 | 图6 |
产品型号 HYMJ | 额定电压 (kV) | 额定容量(kvar) | 额定电容 (μF) | 额定电流 (A) | 额定频率(Hz) | 高度 (H)mm | 图号 |
0.4-10-3 | 0.4 | 10 | 199 | 14.4 | 50 | 210 | 图10 |
0.4-15-3 | 0.4 | 15 | 298 | 21.7 | 50 | 250 | 图10 |
0.4-20-3 | 0.4 | 20 | 398 | 28.9 | 50 | 200 | 图11 |
0.4-25-3 | 0.4 | 25 | 497 | 36.1 | 50 | 240 | 图11 |
0.4-30-3 | 0.4 | 30 | 597 | 43.3 | 50 | 240 | 图11 |
0.4-35-3 | 0.4 | 35 | 697 | 50.5 | 50 | 300 | 图11 |
0.4-40-3 | 0.4 | 40 | 796 | 57.7 | 50 | 350 | 图11 |
0.4-50-3 | 0.4 | 50 | 995 | 72.1 | 50 | 350 | 图11 |