全国同城空降快餐群_全国51茶楼信息网_同城叫妹子_全国51茶楼信息网

浙轮电力主营APF有源电力滤波装置、电容器系列、电抗器系列、智能复合开关和无功补偿控制器等产品。
ZLDL-智能复合开关
ZLDL-JTFK智能动态无触点复合开关
所属分类:ZLDL-智能复合开关

 产品概述:
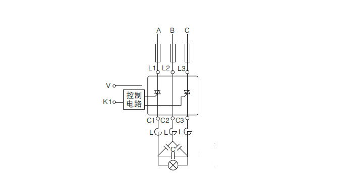
ZLDL-JTFK系列容性快速无触点开关是一种能够对电力并联电容器进行快速投切的电子型功率器件,其电气结构主要由大功率反并联晶闸管模块、隔离电路、触发电路、同步电路、保护电路及驱动电路组成,并配有控制开关导通或截止的接线端子,控制逻辑电压0V(截止)、12V(导通).本开关具有安装简单、维护方便、响应速度快、投切无涌流、工作无噪音、运行稳定可靠等特点.是无功功率动态补偿装置用投切电容器组的理想器件.
功能特点:
1、投切无涌流、无过压、无火花产生.
2、具有过温度保护.
3、输入信号与开关光电隔离,高EMC保护措施,抗干扰能力强.
4、可直接与本公司动态无功补偿控制器配套使用.
5、投切速度快,允许频繁动作.
6、安装、接线、维护简单方便.
7、工作无噪音.
接线示意图:


 应用场合:
JTFK系列容性无触点开关专为0.4KV电力电容器动态快速补偿设计的投切开关.主要适用于冲击性负荷,需要快速投切电容器的用电负荷现场,比如:电焊机、轧钢、港口行吊、电梯、变频炉等负荷快速变化现场。


主站蜘蛛池模板: 鸡东县| 司法| 固安县| 五莲县| 林甸县| 诸城市| 滦平县| 醴陵市| 仲巴县| 和平县| 香格里拉县| 普安县| 南充市| 新兴县| 石阡县| 江西省| 福清市| 鸡西市| 司法| 金乡县| 海宁市| 乌什县| 阳高县| 黄山市| 吉木萨尔县| 新巴尔虎左旗| 无锡市| 民权县| 临武县| 望谟县| 莒南县| 泾阳县| 商城县| 忻州市| 芒康县| 阆中市| 晋州市| 宜宾县| 安义县| 晋中市| 八宿县|