全国同城空降快餐群_全国51茶楼信息网_同城叫妹子_全国51茶楼信息网

浙轮电力主营APF有源电力滤波装置、电容器系列、电抗器系列、智能复合开关和无功补偿控制器等产品。
ZLDL-电抗器系列
ZLDL-DV/DT滤波电抗器
所属分类:ZLDL-电抗器系列

 应用电路:
异步电机变频传动,变频器输出侧,抑制开关频率纹波电流所衍生的高次谐波电流,降低长电缆行波反射dv/dt瞬变电压,从而降低电机涡流损耗及噪音,?;さ缁怠V饕τ糜诘缭吹缪构摺⒗系缁脑?、非变频电机绝缘强度较低、频繁制动、较长电缆传输场合。


性能特点


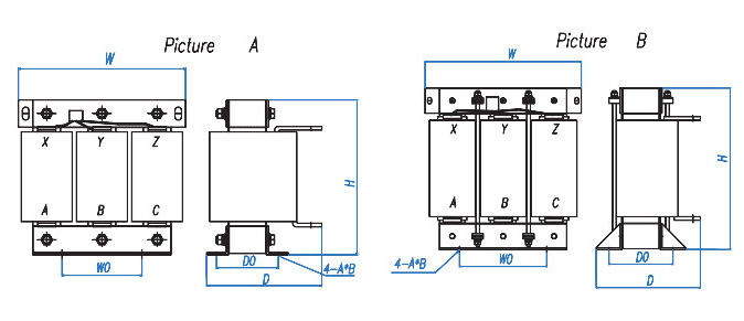
尺寸及技术参数:


dv/dt滤波器技术参数:


 备注:
产品标示A、B、C为滤波器三相输入端,X、Y、Z为滤波器三相输出端。



主站蜘蛛池模板: 庆安县| 临朐县| 佛坪县| 陵川县| 连山| 华坪县| 惠来县| 通化市| 海丰县| 潍坊市| 汶上县| 贵德县| 白山市| 德安县| 建阳市| 汕头市| 邵阳县| 济源市| 叙永县| 临桂县| 滁州市| 福鼎市| 榆社县| 利津县| 阿拉善右旗| 陆河县| 永年县| 芜湖县| 宜黄县| 临安市| 河南省| 哈尔滨市| 湘潭县| 阳山县| 岑溪市| 武平县| 吉林省| 老河口市| 牙克石市| 南开区| 江源县|